HOME
회사소개
제품소개
온라인문의
고객센터
인사말
오시는길
공지사항
자료실
PRODUCT INFO
제품소개
볼베어링
스페리컬 로울러 베어링
UC베어링
ROD ENDS베어링
스페리컬플래인
캠플로워
로울러플로어
서포트유니트
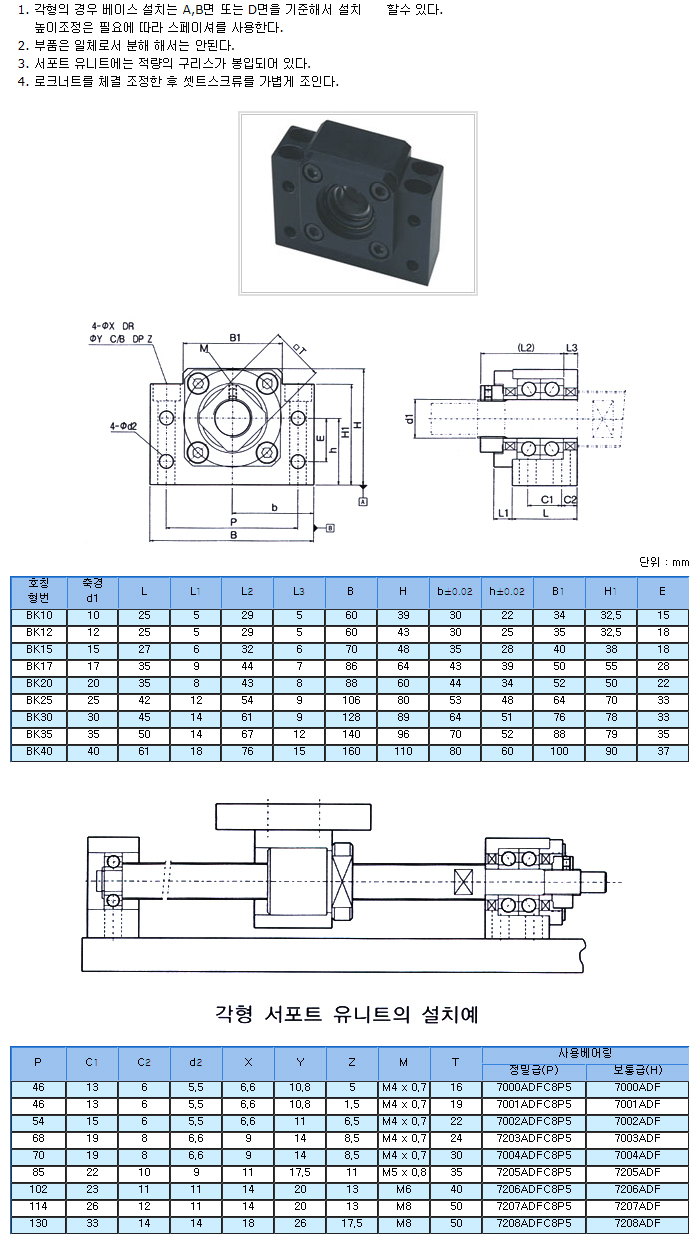
BK
BF
FK
FF
리니어부싱
LM가이드
볼스크류
볼케스타
플러머블록
파워록
로크넛트
클러치
커플링
볼플란자
텐션(UCTM)
TM스크류
오일레스
볼스플라인
플랫트롤러
토크베어링
기타
CUSTOMER CENTER
고객의 소리에 항상 귀기울이겠습니다
031.430.1201~2
FAX:031-430-1203
E-mail : ywbr97@naver.com
서포트유니트
HOME
>
제품소개
>
서포트유니트
[ BK ]